Paslanmaz U Civata, U Bolt Çeşitleri 8x36
Kategori
Marka
Stok Kodu
924091_62db89
Fiyat
45,50 TL + KDV
*7,40 TL den başlayan taksitlerle!
54,60 TL
Paslanmaz U Civata, U Bolt Çeşitleri
A2 AISI 304 Kalite Paslanmaz malzemeden üretilmiştir.
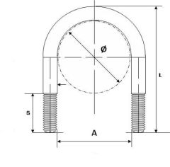
Boyutlar
Ø
M
S
L
A
1/2
M6
30
50
24
3/4
M8
30
60
30
1''
M8
30
70
36
1 1/4
M8
40
80
46
1 1/2
M8
50
90
52
2''
M10
50
100
64
2 1/2
M12
50
120
78
3''
M12
60
140
94
3 1/2
M12
60
150
106
4''
M12
60
160
118
5''
M12
60
200
146
6''
M16
85
220
172
A2 AISI 304 Kalite Paslanmaz malzemeden üretilmiştir.
Boyutlar

| Ø | M | S | L | A |
| 1/2 | M6 | 30 | 50 | 24 |
| 3/4 | M8 | 30 | 60 | 30 |
| 1'' | M8 | 30 | 70 | 36 |
| 1 1/4 | M8 | 40 | 80 | 46 |
| 1 1/2 | M8 | 50 | 90 | 52 |
| 2'' | M10 | 50 | 100 | 64 |
| 2 1/2 | M12 | 50 | 120 | 78 |
| 3'' | M12 | 60 | 140 | 94 |
| 3 1/2 | M12 | 60 | 150 | 106 |
| 4'' | M12 | 60 | 160 | 118 |
| 5'' | M12 | 60 | 200 | 146 |
| 6'' | M16 | 85 | 220 | 172 |
Bu ürüne ilk yorumu siz yapın!